传真:0533-3580697
技术支持:0533-3582864
邮箱:zbzhengrui@163.com
公司地址:淄博高新区政通路135号高科技创业园B座
变压器铁芯夹件接地电流在线监测装置安装手册
来源:正瑞电子
浏览:2008
发布日期:2023-02-10
我公司研发的 ZRJD2000 变压器铁芯接地电流在线监测系统可以监测铁芯引出线上电流值的大小,并上传到监控后台主机,通过监控软件可实现实时数据查看,报警提示,历史数据曲线查询等功能。
下面介绍变压器铁芯夹件接地电流在线监测装置的安装.
系统安装接线图:

ZRZJ2000采集器安装到变压器铁芯接地和夹件接地线附近,因为传感器引出带航空插头馈线最长不能超过2.5米。电流传感器连接线,一头航空插头,一头电流传感器,线长1米,出厂前已做好并测试;
ZRZJ2000采集器安装尺寸:

(采集器背面固定支架安装图)
采集器背面有与固定支架的配装孔。

固定支架 测量为安装孔中心距离;
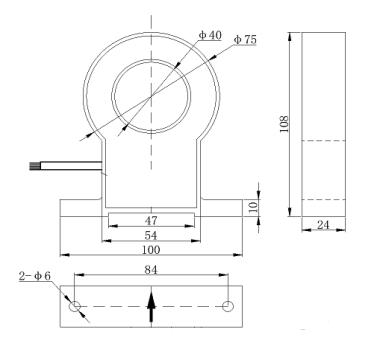
传感器安装尺寸:


(安装图)
如果铁芯接地线全为铜排连接接地,可选用内径为50cm的的电流传感器。
- 上一篇:高压电缆温度在线监测系统方案
- 下一篇:GPS北斗时间同步服务器在电力系统的应用
新闻资讯文章
20年专注电力设备安全在线监测研究
微型电力无源无线测温
开关柜智能操控装置
无线测温采集终端DC
无线传输红外热成像测 